当前位置:
首页
>
政务公开
>
信息公开目录
>
公示公告
索
引
号:
621126/2026-00003
信息分类:
公示公告
文件编号:
发文日期:
2026-01-19
发布机构:
岷县
公开形式:
主动公开
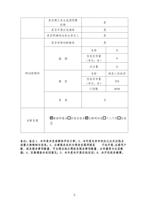
定西市岷县2025年政府网站工作年度报表
发布日期:2026-01-19 15:39
信息来源: 岷县人民政府办公室
字号:[
大
中
小
]
[ 打印本页
|
关闭窗口
]